페인트팜 사용자 가이드
아티클 제목, 내용
업데이트 및 공지사항
1️⃣ 이동형 프로젝션 시리즈
2️⃣ 디지털+아날로그존
3️⃣ 콘텐츠 사용 가이드
Powered by Channel Talk
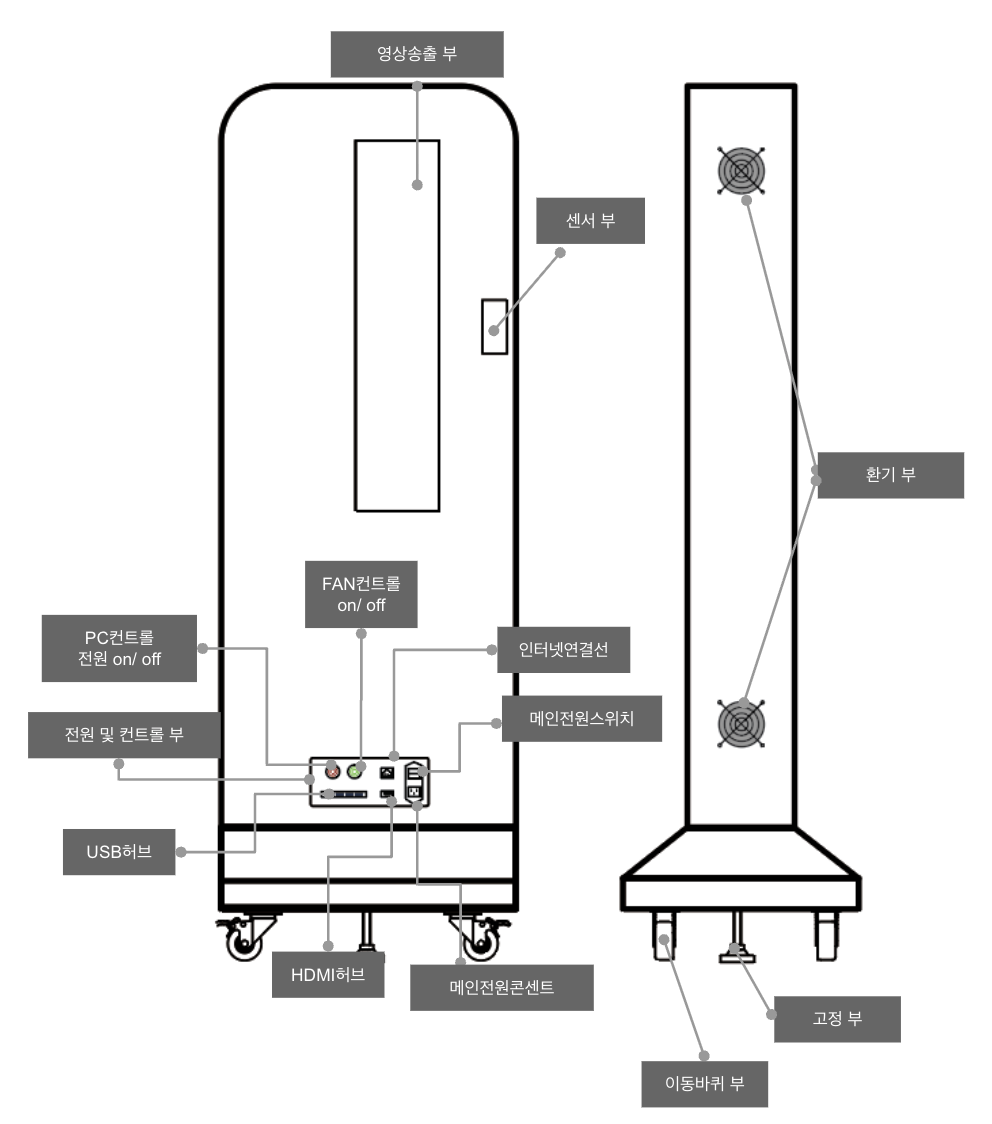
이동형 프로젝션 H
각 부분의 명칭
각 부분의 명칭
제품 물리적 명칭 소개
용화 from paintpam
2026-01-08
이프-H